Beranda
/ Skema Equalizer Ic La3600 : 5 Band Graphic Equalizer Sandi Elektronik : Namun rangkaian ini dapat juga digunakan sebagai penguat audio rumah dengan daya kelas menengah.
Skema Equalizer Ic La3600 : 5 Band Graphic Equalizer Sandi Elektronik : Namun rangkaian ini dapat juga digunakan sebagai penguat audio rumah dengan daya kelas menengah.
Skema Equalizer Ic La3600 : 5 Band Graphic Equalizer Sandi Elektronik : Namun rangkaian ini dapat juga digunakan sebagai penguat audio rumah dengan daya kelas menengah.. J.mp/9hhxig equalizer circuit schematic, pcb files: And uses the center frequency. Because ic la3600 is a special design of the equalizer circuit to make this a simple equalizer. This five channel graphic equalizer is 100% substitution for la 3600 or ka2233 graphic equalizer. Namun rangkaian ini dapat juga digunakan sebagai penguat audio rumah dengan daya kelas menengah.
Tda7375a dapat menghasilkan daya sbesar 18 watt per channelnya yang mana 2 channel untuk bagian front speaker dan 2 channel lagi untuk rear speaker dan sumber tegangan yang. And uses the center frequency. Jetzt eqs bei thomann kaufen. Seperti dilihat pada skema, untuk mendapatkan 10 band, ic la3600 dipasang seri. Cara merakit equalizer yang bagus sederhana (skema equalizer ic la3600) bagaimana cara merakit equalizer yang bagus sehingga cocok dengan rangkaian tone control dan power read more →
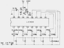
Equalizer Circuit Page 2 Audio Circuits Next Gr from www.next.gr Ic la3600 is a single chip audio graphic equalizer 5 channel that is designed specifically for the equalizer five channels. The la3600 can be operated from anything between 5 Jika anda hendak membuat lebih dari 5 bisa menggunakan dua buah ic atau lebih. Namun dari kesederhanaan rangkaiaannya ternyata suara yang dihasilkan cukup baik. Pada post sebelum nya pernah saya share layout 5 ch grafiq equalizer ic ba3812, akan tetapi kendala nya sekarang ini seri ic ba3812 tersebut sudah langka di pasaran, jadi bagi anda yang tidak punya seri ic ba3812 akan kesusahan jika mau merakit nya, untuk itu pada kesempatan kali ini akan saya share lagi sebuah layout 5 ch grafiq equalizer menggunakan ic la3600 yang umum dan banyak yang jual. 5 band (5 channel) berarti menggunakan 5 buah potensiometer. Untuk stereo 10 band eq maka diperlukan 4 buah ic la3600. The graphic equalizer shown here is based on the ic la3600 from sanyo semiconductors.
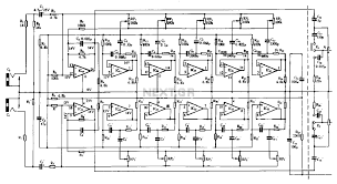
In the figure is 10 channel equalizer circuit, which we have designed for the q = 4.
This five channel graphic equalizer is 100% substitution for la 3600 or ka2233 graphic equalizer. In addition to using the la3600 ic, above was the 5 channel graphic equalizer. 5 band equalizer for amplifier 📢 that can perform 12v no noise problem its basically use for controller circuit for amplifier also including bass mid treble. We can also be designed was the 10 channel graphic equalizer circuit. Cara merakit equalizer yang bagus sederhana (skema equalizer ic la3600) bagaimana cara merakit equalizer yang bagus sehingga cocok dengan rangkaian tone control dan power read more → Namun rangkaian ini dapat juga digunakan sebagai penguat audio rumah dengan daya kelas menengah. J.mp/9hhxig equalizer circuit schematic, pcb files: Ic la3600 is a single chip audio graphic equalizer 5 channel that is designed specifically for the equalizer five channels. The graphic equalizer shown here is based on the ic la3600 from sanyo semiconductors. 10 channel graphic equalizer using la3600. 5 band graphic equalizer using la3600 description. Ic la3600 ini cukup murah dan mudah ditemukan di pasaran, juga banyak tape deck/compo menggunakan ic ini, suara yg dihasilkan juga jernih. 5 band (5 channel) berarti menggunakan 5 buah potensiometer.
Skema 5 band equalizer dengan ic la3600. This five channel graphic equalizer is 100% substitution for la 3600 or ka2233 graphic equalizer. Sanyo, alldatasheet, datasheet, datasheet search site for electronic components and semiconductors, integrated circuits, diodes, triacs, and other semiconductors. Rangkaian power amplifier 4 channel ini menggunakan tipe ic tda7375a yang pada lazimnya digunakan untuk amplifier mobil. In addition to using the la3600 ic, above was the 5 channel graphic equalizer.
Equalizer 10 Channel Slide Potensio Ebonit La3600 Stereo 2 X 5 Ch Shopee Indonesia from cf.shopee.co.id Skema 5 band equalizer dengan ic la3600. Ic la3600 is a single chip audio graphic equalizer 5 channel that is designed specifically for the equalizer five channels. And uses the center frequency. The graphic equalizer shown here is based on the ic la3600 from sanyo semiconductors. Jika anda hendak membuat lebih dari 5 bisa menggunakan dua buah ic atau lebih. Cara merakit equalizer yang bagus sederhana (skema equalizer ic la3600) bagaimana cara merakit equalizer yang bagus sehingga cocok dengan rangkaian tone control dan power read more → Because ic la3600 is a special design of the equalizer circuit to make this a simple equalizer. 5 band graphic equalizer using la3600 description.
Pada post sebelum nya pernah saya share layout 5 ch grafiq equalizer ic ba3812, akan tetapi kendala nya sekarang ini seri ic ba3812 tersebut sudah langka di pasaran, jadi bagi anda yang tidak punya seri ic ba3812 akan kesusahan jika mau merakit nya, untuk itu pada kesempatan kali ini akan saya share lagi sebuah layout 5 ch grafiq equalizer menggunakan ic la3600 yang umum dan banyak yang jual.
Komponen ic la3600 ini adalah chip ic yang dibuat untuk equalizer 5 band frekuensi yang memiliki konfigurasi secara bertingkat. Pada post sebelum nya pernah saya share layout 5 ch grafiq equalizer ic ba3812, akan tetapi kendala nya sekarang ini seri ic ba3812 tersebut sudah langka di pasaran, jadi bagi anda yang tidak punya seri ic ba3812 akan kesusahan jika mau merakit nya, untuk itu pada kesempatan kali ini akan saya share lagi sebuah layout 5 ch grafiq equalizer menggunakan ic la3600 yang umum dan banyak yang jual. Because ic la3600 is a special design of the equalizer circuit to make this a simple equalizer. Untuk mengetahui rangkaian equalizer sederhana 5 channel sampai 20 channel mungkin kita patut melihat contoh skema equalizer ic 4558 karena skema ini merupakan yang paling simpel dan mudah dibuat sendiri apalagi kalau mengejar perangkat yang efektif dan efisien. The la3600 can be operated from anything between 5 This five channel graphic equalizer is 100% substitution for la 3600 or ka2233 graphic equalizer. Ic la3600 is a single chip audio graphic equalizer 5 channel that is designed specifically for the equalizer five channels. Sanyo, alldatasheet, datasheet, datasheet search site for electronic components and semiconductors, integrated circuits, diodes, triacs, and other semiconductors. Jika anda hendak membuat lebih dari 5 bisa menggunakan dua buah ic atau lebih. The graphic equalizer shown here is based on the ic la3600 from sanyo semiconductors. Because ic la3600 is a special design of the equalizer circuit to make this a simple equalizer. Audio graphic equalizer in the article this is the type of bar with 5 channels using ic la3600. Ic la3600 ini cukup murah dan mudah ditemukan di pasaran, juga banyak tape deck/compo menggunakan ic ini, suara yg dihasilkan juga jernih.
• highly stable to capacitive load. Ic la3600 is a single chip audio graphic equalizer 5 channel that is designed specifically for the equalizer five channels. Untuk hasil yang lebih optimal sebaiknya pada input dan output diberi rangkaian buffer. The graphic equalizer shown here is based on the ic la3600 from sanyo semiconductors. 5 band graphic equalizer using la3600 description.
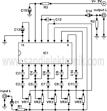
Integrierte Schaltungen Ics 1 2 4 Pcs La3600 5 Band Graphic Equalizer Ka2223 M5226p Audio Circuit Preamp Business Industrie Tlechaim Org Il from i.ebayimg.com Cara merakit equalizer yang bagus sederhana (skema equalizer ic la3600). The schematic circuit diagram followed and the pcb layout u. Audio graphic equalizer in the article this is the type of bar with 5 channels using ic la3600. Equalizer ka2223 integrated circuit la3600 or legs used to integrate the function and connections at the same 100hz, 320hz, 1khz, 3.5khz, 10khz frequency range adjustments can be made. In the figure is 10 channel equalizer circuit, which we have designed for the q = 4. Komponen utama dari rangkaian ini adalah ic la3600 yang dapat ditemukan dengan mudah dan biayapun murah. Jadi ic la3600 bisa diganti langsung pakai ic m5226p atau sebaliknya ic m5226p bisa diganti pakai ic la3600 tanpa harus merubah komponen rangkaian dari equalizer yang ada. Menggunakan ic la3600 besutan sanyo sanyo semicon device.
Ic la3600 is a single chip audio graphic equalizer 5 channel that is designed specifically for the equalizer five channels.
This five channel graphic equalizer is 100% substitution for la 3600 or ka2233 graphic equalizer. Cara merakit equalizer yang bagus sederhana (skema equalizer ic la3600). Untuk stereo 10 band eq maka diperlukan 4 buah ic la3600. By connection with the other ic la3600. Equalizer ka2223 integrated circuit la3600 or legs used to integrate the function and connections at the same 100hz, 320hz, 1khz, 3.5khz, 10khz frequency range adjustments can be made. Rangkaian equalizer 10 channel dengan ic la3600 rangkaian penguat sinyal radio fm Untuk mengetahui rangkaian equalizer sederhana 5 channel sampai 20 channel mungkin kita patut melihat contoh skema equalizer ic 4558 karena skema ini merupakan yang paling simpel dan mudah dibuat sendiri apalagi kalau mengejar perangkat yang efektif dan efisien. Skema 5 band equalizer dengan ic la3600. Jetzt eqs bei thomann kaufen. The schematic circuit diagram followed and the pcb layout u. 5 band graphic equalizer using la3600 description. The graphic equalizer shown here is based on the ic la3600 from sanyo semiconductors. Seperti dilihat pada skema, untuk mendapatkan 10 band, ic la3600 dipasang seri.
Berbagi
Posting Komentar
untuk "Skema Equalizer Ic La3600 : 5 Band Graphic Equalizer Sandi Elektronik : Namun rangkaian ini dapat juga digunakan sebagai penguat audio rumah dengan daya kelas menengah."
Posting Komentar untuk "Skema Equalizer Ic La3600 : 5 Band Graphic Equalizer Sandi Elektronik : Namun rangkaian ini dapat juga digunakan sebagai penguat audio rumah dengan daya kelas menengah."